自定中心振動篩標準
QJ/AKJ02.08-89自定中心振動篩和QJ/AKJ02.09-89自定中心振動篩。自定中心振動篩用途及特點
SZZ型自定中心振動篩運動軌跡為圓,全系列共有十種規格,可供煤炭、冶金、建材、化工等部門,對中小粒度的物料進行干式分級。篩機結構簡單,堅固可靠,維修方便,效率高。

自定中心振動篩選用須知
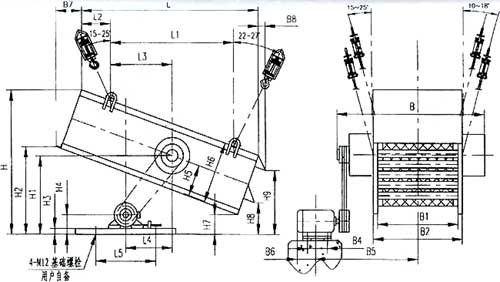
——篩機分單層和雙層,除了SZZ1800×3600振動篩外都為吊式。——篩網結構有編織網和沖孔篩板。
——電動機可安裝在左側或右側,無特殊要求按安裝圖安裝。
——電動機額定電壓為380V,可選用防爆電機或不同額定電壓的電機,如選用請在訂貨時注明。
——基礎螺栓由用戶自備。
產品型號示例

自定中心振動篩技術參數
SZZ型自定中心振動篩技術性能及參數


注:表中處理量是依據松散密度0.9t/m3的煤,按上層篩面大和小篩孔進行干式分級給定的,物料中小于篩孔尺寸之半的顆粒含量占40%,大于篩孔尺寸的顆粒含量占25%,篩分效率為90%。表中凡重量低于2t的篩機大拆分件均沒列出。
六、安裝尺寸:

圖1 SZZ800×1600及SZZ2800×1600自定中心振動篩安裝尺寸
| L | L1 | L2 | L3 | L4 | L5 | H | H1 | H2 | H3 | H4 | H5 | H6 | H7 | H8 | H9 | B | B1 | B2 | B3 | B4 | B5 | B6 | B7 | B8 | ||
| SZZ800× 1600 | 1990 | 1352 | 616 | 676 | 620 | 454 | 1110 | 620 | 700 | 25 | 145 | 160 | 425 | 280 | 483 | 1328 | 800 | 868 | 1042 | 140 | 801.5 | 187 | 110 | 67 | |||
| SZZ2800× 1600 | 1743 | 1217 | 284 | 608 | 460 | 454 | 1345 | 830 | 765 | 25 | 145 | 300 | 600 | 320 | 433 | 740 | 1328 | 800 | 888 | 1042 | 140 | 826.5 | 187 | 155 | 67 |
圖5 SZZ21500×3000自定中心振動篩安裝尺寸

圖6 SZZ21500×4000自定中心振動篩安裝尺寸
圖7 SZZ1800×3600自定中心振動篩安裝尺寸